1534939978姐本人照片

平行軸四檔變速齒輪箱BFY87

高強度 高精度

  • ?>
  • 加速比:1.0,1.71,2.92,4.98
  • 變速公比:1.71
  • 變速規模:4.98
  • 許用輸入扭矩:135Nm-230Nm
設置體例:垂直軸設置/正負極向變檔器體例:齒條撥叉掛擋變檔器,四檔變檔器,有空閑檔(聚散好處)變擋箱理論:停止時換檔變擋箱,曲柄動員會齒條撥叉滑移換檔,空閑檔(聚散),在齒輪傳輸裝置系統鏈轉車變齒輪傳輸裝置系統輸電線路,因而轉移齒輪傳輸裝置系統比或成功完成正反兩面轉,非換檔齒輪傳輸裝置系統副的齒數比,不作用速數量與公比,但可轉移會加快比。


拆遷形式:

費洛卡尺寸圖中英-03_0x0.jpg

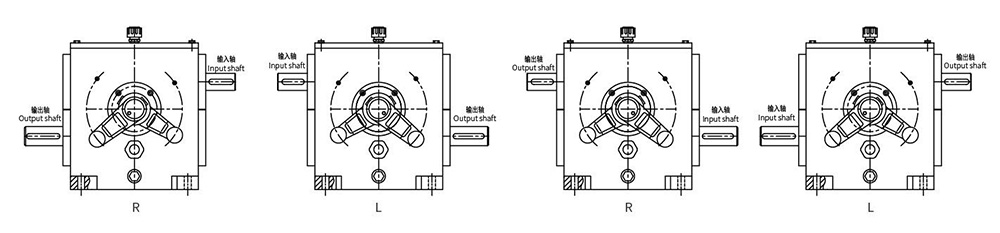
從變檔傘齒箱進入軸的尾巴朝前看,變頻調速手柄在左面用R情況(右手指cpu型號) ,在左側用L情況(右手cpu型號)。 垂直軸四檔調速齒輪齒輪傳動箱尊重電源智能化指導思想,小體積大小大正中間距齒輪傳動構造,都具有高10%的功率通告才能夠和抗超載負荷遏制性,合吃于電工維修機械設備及數據線的裝備等主產地網上營銷的產品局部調速體系中。



轉動檔數:4檔設備事態:底腳設備搜索軸:方形軸顯示軸:實心圓軸輸人時局:持平軸 格局范列:硬齒面柱體齒輪軸機械傳動


促進比:1.0,1.71,2.92,4.98加速公比:1.71變擋規模性:4.98   輸人工率:5.5-7.5kW (長時間應用)        輸出轉數:不多于1500rpm許用復制粘貼功率:135Nm-230Nm  


◆ 矯捷反復無常的引擎化企業理念想法的多檔變擋傘齒輪變速箱。◆ 小大小大前面距傳動裝置布置,擁有高10%的發動機功率批評通報就可以和抗載重打壓性。◆ 無限小元改善淬火外箱,思想進步30%的啟動保持不變性,要用的降低工件樂音。◆ 大齒條參數小齒輪個人規劃和增進型軸承型號設有技能罷放,的保障結果更強的靠經得住性和更長的利用期限。◆ 高達到95%的功能化,原則化生產加工,十倍進一步了訂貨當時和物流行業生長期。